1. 서 론
2. 말뚝 시공에 의한 말뚝 인접 지반의 변위 고찰
3. 스크류콘크리트말뚝의 시공법
3.1 개요
3.2 시공법
3.2.1 선단분출형슈방식 시공법
3.2.1 선행굴착방식 시공법
4. 스크류콘크리트말뚝의 시험 시공
4.1 부지 및 지반특성치
4.2 시험시공
5. 콘관입시험에 의한 지반 강도 측정
5.1 지반강도 측정 계획
5.2 시공초기의 측정 결과 및 분석
5.3 시공 후 11개월 경과 시 측정 결과 및 분석
5.4 시공 시 말뚝 인접지반의 변위 양상 및 선단부 정착 양상 추정
6. 결론 및 제언
1. 서 론
말뚝 시공 시 말뚝 주변 지반 변위는 시공법에 따라 달라지며 이러한 지반의 변위는 말뚝의 하중지지거동에 큰 영향을 미친다. 말뚝이 설치됨에 따라 주변 지반의 변위가 없는 것을 비변위말뚝이라 하고 주변 지반의 변위가 있는 것을 변위말뚝이라 한다. CFA말뚝(Continous flight auger pile)의 시공과정에서 지반천공을 할 경우 굴착과 동시에 흙이 지상으로 배출되어 주변지반의 변위는 없게 되는데 이러한 말뚝을 비변위말뚝이라 한다. 아틀라스(Atlas)말뚝이나 오메가(Omega)말뚝 등의 시공 시에는 나사못을 박을 때와 같이 흙이 지상으로 배출되지 않게 되어 말뚝시공위치의 흙을 옆으로 밀어내면서 주변지반에 다짐이 발생하게 되는 데 이러한 말뚝을 변위말뚝이라 한다(Bottiau, 2006).
무소음․무진동을 위한 스크류콘크리트말뚝공법의 말뚝시공법과 말뚝구조체는 국내에서 시공되고 있는 다른 말뚝기초와는 큰 차이를 가지고 있다. 말뚝의 주면에는 나선형 돌기가 형성되어있고 말뚝체를 직접 회전・압입하여 소요의 시공깊이까지 도달시키며 최종경타를 실시하지 않는다(Choi etc., 2010).
이 연구에서는 스크류콘크리트말뚝의 시험시공 전과 후에 원위치시험을 실시하여 말뚝주변 점토지반의 교란범위를 분석하였으며 시공 후 11개월경과 시 실시된 원위치시험결과를 분석하여 스크류콘크리트말뚝의 시공방법에 따른 지반의 강도회복 양상을 추정하였다.
2. 말뚝 시공에 의한 말뚝 인접 지반의 변위 고찰
Fig. 1(Van Impe, 1988)에는 말뚝시공 시 굴착과정에서 배토와 비배토에 따른 주변 흙의 변위 양상을 나타내었다. Table 1(Bottiau, 2006)에는 말뚝설치 시 흙의 변위 양상을 나타내었다. 말뚝은 변위말뚝군과 비변위말뚝군으로 나눌 수 있었고 변위말뚝군은 변위량에 따라 대변위말뚝군과 소변위말뚝군으로 구분할 수 있었다.
Fig. 2(Jo, 2010)에는 말뚝설치 시 주변 흙의 변위에 따른 지지력 발현 양상을 나타내었다. 타입말뚝은 말뚝이 설치되면서 흙이 주변으로 변위하게 되고 중간 조밀도 이하의 사질토의 경우 다짐이 발생하여 지지력이 증가하는 반면, 현장타설말뚝 및 매입말뚝은 굴착 시 말뚝 주변 지반이 이완되어 지지력이 감소하게 된다.
3. 스크류콘크리트말뚝의 시공법
3.1 개요
무소음・무진동을 위한 스크류콘크리트말뚝공법의 개략적인 시공방법을 Fig. 3에 나타내었다. 스크류콘크리트말뚝의 가장 큰 장점은 최종경타를 실시하지 않아 소음과 진동이 극히 적어진다는 것이다. 그리고 케이싱이나 별도의 굴착작업 없이 굴착과 말뚝관입이 동시에 이루어지므로 시공속도가 빠르고 공사비가 저렴하며 품질관리가 용이할 수 있다. 최종경타 작업이 없어 시공관리 측면에서 장점으로 작용한다. 또한 말뚝외주면부의 스크류돌기로 인하여 주면마찰력의 극대화가 가능하며 회전압입에 의한 연속작업으로 공정이 단순하다. 따라서 소음과 진동이 극히 적으므로 소음 및 진동으로 인한 민원예상지역에서 적용성이 클 것으로 예상된다.
3.2 시공법
스크류콘크리트말뚝의 제원을 Table 2에 나타내었다. 시험시공을 통하여 스크류콘크리트말뚝을 지지층에 까지 관입할 수 있는 2가지 시공법을 개발하였으며 그 구체적인 시공절차는 Table 3과 같다.
3.2.1 선단분출형슈방식 시공법
말뚝의 내부에 내부로드를 삽입한 후 선단 굴착용 슈(Fig. 4(a))를 내부로드에 장착한 상태에서 슈와 말뚝을 용접하여 선단슈를 내부로드에 결합(Fig. 4(b))하였다. 굴착 시 상부오거모터만으로 내부로드를 회전시켜 말뚝을 시계방향으로 회전시키고 말뚝이 지지층에 도달하면 내부로드를 반시계방향으로 회전시켜 내부로드를 선단슈와 분리시키고 시공을 완료하였다. 그리고 굴착 시 내부로드를 통하여 물과 공기를 동시에 분사하여 회전 시 지반과 말뚝사이의 마찰력을 감소시켰다.
3.2.2 선행굴착방식 시공법
내부로드의 선단에 선단슈(Fig. 5(a))를 장착(Fig. 5(b))시킨 후 내부로드를 말뚝 내부에 삽입하고 상부오거모터를 작동시켜 내부로드를 이용하여 말뚝선단 하부에서 선행 굴진을 실시하였다. 이때 말뚝 선단두께부에도 굴착용슈를 용접하여 두었으므로 하부오거모터를 이용하여 말뚝두부를 회전시키면 말뚝을 관입시킬 수 있었다. 그리고 내부로드의 선단에서 압축공기만 분사하여 말뚝과 지반의 마찰력을 감소시켰다.
4. 스크류콘크리트말뚝의 시험 시공
4.1 부지 및 지반특성치
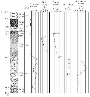
시험시공 부지는 부산광역시의 서부산권에 위치하였으며 낙동강 하구에 자리 잡고 있었다. 지반조건은 낙동강하구의 연약점토층 위에 매립한 지반이었다. 지표로부터 5.2m까지는 매립층(보통 조밀한 모래질 자갈층이 존재하였음), 5.2∼15.7m는 느슨한 모래층, 15.7∼32.7m는 매우연약한 점토층, 그 하부에는 조밀한 모래층이 분포하고 있었다. 지반주상도와 현장 원위치시험에 의한 지반특성치를 Fig. 6에 나타내었다.
시험시공 전 점토층의 불교란 시료를 채취하여 물성시험 및 일축압축시험,
시험을 실시하여 Table 3과 같은 결과를 얻었다.
4.2 시험시공
스크류콘크리트말뚝을 선행굴착방식(1본, SP2)과 선단분출형슈방식(2본, SP1-1~2)으로 시공하였다. 그리고 기존 시공법들(항타공법(DP500), SDA공법(SDA500))에 의하여 시공된 말뚝들의 주변지반의 변위 양상을 비교하기 위하여 2개의 말뚝을 함께 시험시공하였다(Fig. 7 참조)(Kim, 2011). 말뚝의 시공은 2010년 3월26일부터 4월 15일까지 실시되었다.
5. 콘관입시험에 의한 지반 강도 측정
5.1 지반강도 측정 계획
|
Fig. 8. The cone penetration test location immediately after pile installation |
|
Fig. 9. The cone penetration test locations after 11 months hiatus from the pile installations |
점토지반의 강도는 콘관입시험으로, 그리고 사질토지반의 특성치는 표준관입시험으로 측정하도록 계획하였다. 콘관입시험에 사용된 장비는 스웨덴지오텍(Sweden Geotech)사의 용량 50kN의 제품을 사용하였다.
스크류콘크리트말뚝의 시공직후 지반의 교란 영향영역을 파악하기 위하여 SP1-1 말뚝 시공위치에서는 말뚝 시공전에 콘관입시험을 실시하였으며 SP1-1에서 외곽 위치에서는 90°각도의 4방향에서 말뚝중심으로 부터 각각 75, 105, 145, 175cm 만큼 이격된 위치에서 시공직후 1~2일 경과된 시점에 콘관입시험을 실시하였다(Fig. 8 참조).
각 시공법에 따른 지반의 강도변화 양상을 분석하기 위하여 시공 후 약 11개월이 경과된 시점에서 점토층에서는 콘관입시험을 실시하였으며 사질토층에서는 표준관입시험을 실시하였다. 이 때 각 말뚝의 중심에서 약 75cm 만큼 이격된 위치에서 원위치시험을 실시하였다(Fig. 9 참조).
5.2 시공초기의 측정 결과 및 분석
시공 초기 스크류콘크리트말뚝의 시공에 따른 지반의 강도 변화 영역을 파악하기 위하여 실시한 콘관입시험 결과를 Fig. 10에 나타내었다. 시공된 말뚝의 주변에서 거리를 달리하여 4회의 콘관입시험을 실시하였으며 상부의 모래지반은 시험장비의 한계로 인하여 케이싱을 설치하여 굴착하고 점토지반에만 시험을 실시하였다. 시험기간 중 시추장비의 변경으로 인하여 관입재하용량 차이가 발생하여 최종시험심도도 차이가 발생하였다.
|
Fig. 11. The disturbance distances at any soil depth of a screw concrete pile installed by the toe-jetting shoe type construction method |
Fig. 11에는 시험위치에 따른 수정콘선단저항 qt의 변화를 도시하였는데 임의로 선정된 깊이(16, 20, 25, 27m)에서 측정된 qt 값을 나타내었다. 여기서 1.5D(여기서 D = 말뚝직경)이내의 영역에서는 지반의 강도가 급격하게 저감되었으며 말뚝선단에 가까운 깊이일수록 강도의 저감은 심한 것으로 나타났다. 또한 말뚝의 중심에서부터 3.0D이내의 지반에서는 스크류콘크리트말뚝의 시공에 의한 교란으로 지반의 강도가 전반적으로 감소되었다. 따라서, 스크류콘크리트말뚝의 시공으로 인하여 말뚝중심으로부터 말뚝직경의 3.0배 정도까지 영향을 미치는 것을 알 수 있었다.
5.3 시공 후 11개월 경과 시 측정 결과 및 분석
시공 후 약 11개월이 경과한 시점에서 직경 500mm의 콘크리트말뚝들(SP1-1, SP2, DP500, SDA500)의 중심에서 75cm 이격된 위치(즉 1.5D)에서 표준관입시험과 콘관입시험을 실시하였다. 여기서 1.5D위치는 시공 직후 강도의 저감이 가장 심하게 나타난 영역이었다.
Fig. 12에는 과잉간극수압의 영향을 보정한 수정콘선단저항치(qt)를 비교하였다. SP2와 DP500, DSA500의 경우는 원지반의 강도와 유사하게 회복되어 있는 것을 알 수 있었으나 SP1-2의 경우는 GL-25m지점부터 강도가 회복되지 않은 것을 알 수 있었다. SP1-2의 경우 강도 회복이 되지 않은 것은 시공조건의 차이에 기인한 것으로 추정되었다.
|
Fig. 13. The variations of the strength of soil adjacent to the SP1-2 |
|
Fig. 14. The variations of the strength of the soil adjacent to a pile according to the construction methods |
Fig. 13에는 SP1-1의 시공 전・후의 콘관입시험결과(qt), SP1-2의 시공 후 11개월이 경과한 후에 실시한 콘관입시험결과(qt)를 도시하였다. 시공직후에는 원지반강도의 46% 정도까지 저감되었으나 시간의 경과에 따라 지반의 강도는 점차 회복되어 원지반 강도의 71% 정도까지 회복되는 것으로 나타났다.
Fig. 14에는 깊이 2m간격으로 산술평균한 수정콘선단저항치를 도시하였다. 여기서 점토층의 경우 CPT가 가능한 지층인 - (17~29)m 깊이에 있는 점토층의 콘관입시험치를 산술평균한 값을 나타내었는데 SP1-2, SP2, DP500, SDA500의 순으로 각각 0.89, 1.15, 1.18, 1.21MPa로 나타났으며 원지반의 강도는 1.25MPa로 나타났다. 따라서 SP1-2의 경우 지반강도는 원지반의 71% 정도로 나타났으며 다른 말뚝(SDA500, DP500, SP2)의 경우 원지반 강도의 90% 이상으로 나타났다. 따라서 스크류콘크리트말뚝의 시공 시 시공방법이 지반의 교란에 미치는 영향은 매우 큰 것으로 나타났다.
Fig. 15에는 직경 500mm의 PHC말뚝과 스크류콘크리트말뚝의 압축재하시험 결과를 도시하였다(Kim, 2011). SP2, DP500, SDA500의 정재하시험 결과는 유사하게 나타났다. 그러나 SP1의 경우 다른 양상을 나타내었는데 이는 시공과정에서 말뚝 인접 지반이 크게 교란되어 강도가 크게 저하되었고 시공 후 약 28일 이상 경과된 시점에서 정재하시험이 실시되었으나 강도회복이 충분하게 이루어지지 않아 하중지지능력이 크게 감소된 것으로 추정되었다. 따라서 말뚝의 시공방법은 지반의 교란 정도에 크게 영향을 미치게 되고 하중지지능력에도 크게 영향을 미치는 것으로 추정되었다.
5.4 시공 시 말뚝 인접지반의 변위 양상 및 선단부 정착 양상 추정
SP1말뚝은 선단분출형슈방식으로 시공하였으며 말뚝의 선단부를 보강하고 말뚝의 내부에 로드를 삽입하여 오거모터의 회전력을 선단에 직접 전달하여 압입하였다. SP2말뚝은 선행굴착방식으로 시공하였으며 말뚝의 내부로 로드를 삽입하여 말뚝의 선단보다 로드를 선행시켜 지반을 교란시키며 말뚝을 압입하였다. 2가지 시공법으로 시공한 말뚝 인접 지반의 흙과 압축공기의 이동 양상을 추정하여 Fig. 16에 나타내었다. 선단분출형슈방식의 시공법에서는 말뚝의 선단에서 공기가 분출되어 말뚝의 외주면만을 따라 지표까지 상승하고 이 과정에서 많은 양의 토사가 함께 분출하게 되었다. 선행굴착방식 시공법에서는 말뚝의 선단보다 1m이상 선행한 지점에서 압축공기가 분출되어 말뚝의 외주면과 말뚝의 내부를 따라 상승하게 되지만 말뚝외주면을 따른 토사의 분출은 최소화되는 것으로 추정되었다. 따라서, 선행굴착방식 시공법의 경우 말뚝내부를 통한 압축공기의 분출로 인하여 말뚝 외부인접지반의 교란은 적게 발생하고 말뚝관입에 의한 토사의 외부 방출은 적게 발생하는 것으로 추정되었다. 따라서 스크류콘크리트말뚝의 경우 시공법에 따라 말뚝의 거동이 크게 달라지는 것으로 추정되었다.
선단분출형슈방식의 경우 말뚝의 선단에 장착된 슈를 회전시켜 말뚝을 관입시키며 이 때 압력과 함께 선단슈에서 시멘트페이스트를 분출시켰다. 따라서 말뚝선단부위는 시멘트페이스트에 의해 고결되는 것으로 추정되었다. 선행굴착방식의 경우 말뚝의 선단부보다 아래에서 내부로드로 선행천공하면서 선단지반을 선행 굴진하게 되고 내부로드에서 압력과 함께 시멘트페이스트를 주입하게 되며 말뚝의 선단은 회전으로 관입하여 지지층에 정착하게 하였다. 따라서 말뚝선단하부지반 및 말뚝선단 부위는 시멘트페이스트에 의해 고결되는 것으로 추정되었다.
6. 결론 및 제언
본 연구에서는 말뚝의 시공 전・후 및 약 11개월경과 시 말뚝 주변에서 원위치시험(콘관입시험 및 표준관입시험)을 실시하였으며 그 결과를 분석하여 다음과 같은 결론을 얻었다.
(1)선단분출형슈방식의 시공법에서는 말뚝외주면을 따라 흙이 지상으로 분출되어 말뚝주변지반의 전단강도가 크게 감소되는 것으로 나타났다. 시공 직후 말뚝 중심으로부터 약 1.5D(여기서 D: 말뚝직경)의 영역에 있는 지반의 강도는 원 지반 강도의 46%정도까지 크게 감소하였으며 시공 후 약 11개월이 경과 시 지반의 강도회복은 원 지반 강도의 71%정도로 나타났다.
(2)선행굴착방식의 시공법에서는 시공과정에서 말뚝 외주면을 따라 분출되는 흙의 양이 최소화되었으므로 11개월경과 시 말뚝인접지반의 강도는 원지반의 전단강도의 90% 이상으로 회복되는 것으로 나타났으며 직항타말뚝과 SDA말뚝의 주변지반의 전단강도와 유사하게 나타났다.
(3)선행굴착방식으로 시공된 스크류콘크리트말뚝, 직항타말뚝 및 SDA말뚝의 하중-침하량 곡선은 유사하게 나타났으나 선단분출형슈방식으로 시공된 스크류콘크리트말뚝의 하중지지양상은 크게 저하되는 것으로 나타났다.






















